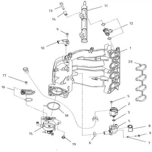
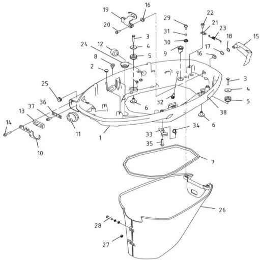
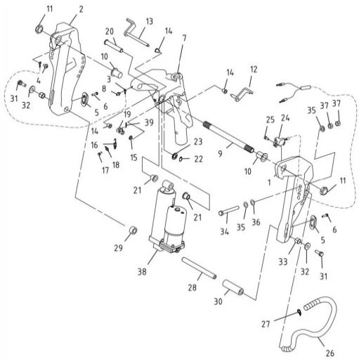
F60 اسپیئر پارٹس اوپر Cowling سلنڈر اور کرینک کیس کرینک شافٹ اور پسٹن سلنڈر اور کرینک کیس 2 والو انٹیک 1 انٹیک 2 آئل پمپ 1 آئل پمپ 2 آئل پمپ ایندھن کا نظام برقی الیکٹریکل 1 الیکٹریکل 2 الیکٹریکل 3 الیکٹریکل 4 نیچے کاؤلنگ 1-1 نیچے کاؤلنگ 1-2 نیچے کاؤلنگ2 اسٹیئرنگ سسٹم 1-1 اسٹیئرنگ سسٹم 1-2 اسٹیئرنگ سسٹم 1-3 اسٹیئرنگ سسٹم 2 اسٹیئرنگ رگڑ بلاک کنٹرول سسٹم بریکٹ 1-1 بریکٹ 1-2 بریکٹ 2-1 بریکٹ 2-2 اپر کیسنگ تیل پین Assy لوئر کیسنگ 1-1 لوئر کیسنگ 1-2 لوئر کیسنگ 1-3 لوئر کیسنگ 2 فیول ٹینک لنک راڈ Assy کنٹرول باکس گیجز